被动式超低能耗现浇混凝土内置保温系统产品概述
被动式超低能耗建筑是一种高能源效率、低环境污染、提升居住舒适性、维持健康环境的绿色低碳建筑,是人类应对能源危机、提升生活质量的重要建筑形式,是近年来我国发展较为迅速的新型节能建筑。
被动式超低能耗建筑依据建筑所在地理位置与气候条件,对建筑外围护结构采取一系列隔热保温措施,有效降低能耗,提升建筑外围护结构的隔热保温性能,对居住舒适性同样有所提升。建筑节能要求以及外围护结构隔热保温性能受到人们极大的重视。建筑外围护结构传热损失是被动式超低能耗中消耗最高的,因此研究被动式超低能耗建筑外围护结构的隔热保温方法具有重要意义。

廊坊轩越建材有限公司--被动房示范区

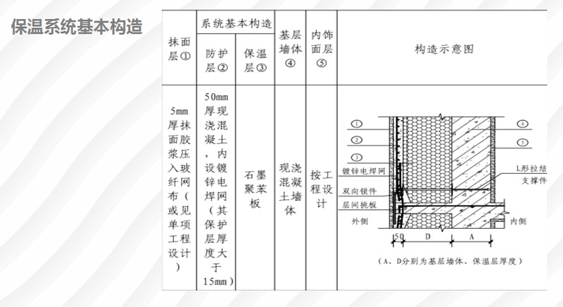
双向锁件拉结现浇混凝土内置保温系统(被动式超低能耗建筑):
通过双向锁件、限位锁盘与拉结支撑件连接连
接镀锌电焊网并将其与保温层(石墨聚苯板)置于固定位置、施工现场在保温层两侧同时浇筑混凝土基层墙体及防护层,使防护层与保温层内侧的现浇混凝土基层墙体可靠连接,形成的具有保温、防护作用的构造系统。简称为“双向锁件拉结内置保温系统”。



|